Tensioner sprocket with TR axis
Description
Product Details
Attachments
Single, double or triple sprocket. Working speed: <= 70m/min. Work point: -30°C / +80°C.
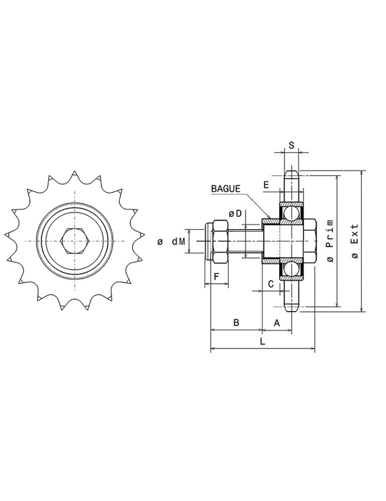
Mounted on bearing "NTN-SNR".
Our sprockets and axis are zinc-plated bichromated. The axis are white. The "TR"-type tensioner sprockets are specially designed to be fixed on transmissions but also on our range of tensioner device.
On certain references it is necessary to penetrate the arm. On request, our workshop will be able to provide this service.
Minimum fat on 3 Dts.
We can also provide:
- TR08B1 in 16 and 18 Dts
- TR10B1 in 14 and 17 Dts
- TR12B1 in 12-13 and 15 Dts
- TR08B2 in 16 and 18 Dts
- TR10B2 in 14 and 17 Dts
- TR12B2 in 12-13 and 15 Dts
- TR08B3 in 16 and 18 Dts
- TR10B3 in 14 and 17 Dts
- TR12B3 in 12-13 and 15 Dts
Choose product attributes:
Product is available
Product available on plateform
*Prix HT hors frais d’envoi
| Ref. | order | Version | Material | Z | Not | Ø Ext (mm) | NOTICE | Ø dM (mm) | Ø D (mm) | G (mm) | E (mm) | TYPE BRAS | REF AVAILABLE ON | REF AXE SEUL | Unit price | Weight | Avail. | Buy |
|---|---|---|---|---|---|---|---|---|---|---|---|---|---|---|---|---|---|---|
| TR04B1 | 1 | Simple | Acier | 15 | 6 | 31 | 04B1 | 6 | 6 | — | 6 | TE-2 | PT04B15 | AXTRM06 | 0.11 kg |
|
||
| TR12B3 | 1 | Triple | Acier | 14 | 19.05 | — | 12B3 | 20 | 17 | 19.46 | 12 | TE-6 | PT12B14 | AXTR12B3 | 1.6 kg |
|
||
| TR05B1 | 2 | Simple | Acier | 14 | 8 | 39.2 | 05B1 | 8 | 8 | — | 7 | TE-2 | PT05B14 | AXTRM08 | 0.12 kg |
|
||
| TR06B1 | 3 | Simple | Acier | 17 | 9.525 | 55.3 | 06B1 | 10 | 12 | — | 10 | You-3 | PT06B17 | AXTRM10 | 0.135 kg |
|
||
| TR081.1 | 4 | Simple | Acier | 13 | 12.7x3.3 | 58.4 | 081-1 | 10 | 12 | — | 10 | You-3 | PT081.13 | AXTRM10 | 0.14 kg |
|
||
| TR083.1 | 5 | Simple | Acier | 13 | 12.7x4.88 | 58.4 | 083-1 | 10 | 12 | — | 10 | You-3 | PT083.13 | AXTRM10 | 0.145 kg |
|
||
| TR08B1 | 6 | Simple | Acier | 17 | 12.7 | 73.6 | 08B1 | 12 | 17 | — | 12 | TE-4 / TE-5 | PT08B17 | AXTRM12 | 0.28 kg |
|
||
| TR10B1 | 7 | Simple | Acier | 16 | 15.875 | 88 | 10B1 | 12 | 17 | — | 12 | TE-4 / TE-5 | PT10B16 | AXTRM12 | 0.41 kg |
|
||
| TR12B1 | 8 | Simple | Acier | 14 | 19.05 | 93.6 | 12B1 | 12 | 17 | — | 12 | TE-4 / TE-5 | PT12B14 | AXTRM12 | 0.49 kg |
|
||
| TR16B1 | 9 | Simple | Acier | 12 | 25.4 | 109 | 16B1 | 20 | 20 | — | 14 | TE-6 / TE-7 | PT16B12 | AXTRM20 | 0.96 kg |
|
||
| TR20B1 | 10 | Simple | Acier | 12 | 31.75 | 137.8 | 20B1 | 24 | 30 | — | 24 | TE-6 / TE-7 | PT20B12 | AXTRM24 | 1.8 kg |
|
||
| TR24B1 | 11 | Simple | Acier | 12 | 38.1 | 162 | 24B1 | 36 | 40 | — | 29 | TE-7 / TE-8 | PT24B12 | AXTRM36 | 2.7 kg |
|
||
| TR06B2 | 12 | Double | Acier | 17 | 9.525 | — | 06B2 | 12 | 12 | 10.24 | 10 | TE-4 | PT06B17 | AXTR06B2 | 0.235 kg |
|
||
| TR08B2 | 13 | Double | Acier | 17 | 12.7 | — | 08B2 | 18 | 17 | 13.92 | 12 | TE-5 | PT08B17 | AXTR08B2 | 0.6 kg |
|
||
| TR10B2 | 14 | Double | Acier | 16 | 15.875 | — | 10B2 | 20 | 17 | 16.59 | 12 | TE-6 | PT10B16 | AXTR10B2 | 0.9 kg |
|
||
| TR10B2/17 | 14 | Double | Acier | 17 | 15.875 | — | 10B2 | 20 | 17 | 16.59 | 12 | TE-6 | PT10B16 | AXTR10B2 | 0.9 kg |
|
||
| TR12B2 | 15 | Double | Acier | 14 | 19.05 | — | 12B2 | 20 | 17 | 19.46 | 12 | TE-6 | PT12B14 | AXTR12B2 | 1.1 kg |
|
||
| TR16B2 | 16 | Double | Acier | 12 | 25.4 | — | 16B2 | 24 | 20 | 31.88 | 20 | TE-7 | PT16B12 | AXTR16B2 | 2 kg |
|
||
| TR06B3 | 17 | Triple | Acier | 17 | 9.525 | — | 06B3 | 12 | 12 | 10.24 | 10 | TE-4 | PT06B17 | AXTR06B3 | 0.325 kg |
|
||
| TR08B3 | 18 | Triple | Acier | 17 | 12.7 | — | 08B3 | 18 | 17 | 13.92 | 12 | TE-5 | PT08B17 | AXTR08B3 | 0.8 kg |
|
||
| TR10B3 | 19 | Triple | Acier | 16 | 15.875 | — | 10B3 | 20 | 17 | 16.59 | 12 | TE-6 | PT10B16 | AXTR10B3 | 1.3 kg |
|
||
|
Total:
0,0
All prices with tax excluded.
Tax rate: 20,0%. |
||||||||||||||||||
Product is available
Product available on plateform
Customers who bought this product also bought:
You might also like